股票代码  003021
主页 > 预售产品 > 高性能电机系列 > 38mm高性能电机(150)
概述

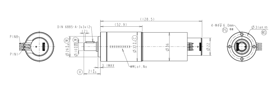
38mm高性能电机(150)

产品型号:ZWSMD038038-150

外直径(mm):37

总长度(mm):128.5

减速比:150:1

输出轴轴向窜动(mm MAX):0.05

额定电压(VDC):24

空载电流(mA MAX):600

空载转速(RPM):56±15%

额定负载(N.M):9.3

额定转速(RPM):49±15%

额定电流(A Max):3

最大力矩(N.M):11.6

空载噪音:稳定后不超出56dB(侧面30CM,无防风罩测试)

空载回差(°MAX):0.5

电机出线PIN脚定义
PIN 1 U 白色
PIN 2 V 橙色
PIN 3 W 灰色
PIN 4 VCC 红色
PIN 5 H1 绿色
PIN 6 H2 黄色
PIN 7 H3 蓝色
PIN 8 GND 黑色
磁编器出线PIN脚定义
PIN 9 不连接
PIN 10 Vcc
PIN 11 接地
PIN 12 不连接
PIN 13 通道A-
PIN 14 通道A
PIN 15 通道B-
PIN 16 通道B
PIN 17 通道Z-
PIN 18 通道Z
电机参数
电机型号 SM038038-F03无刷马达
额定电压(VDC) 24
空载转速(RPM) 8400±10%
空载电流(mA MAX) 500
额定负载力矩(m.Nm) 120
额定负载转速(RPM) 6550±10%
额定负载电流(mA MAX) 5000
堵转力矩(m.Nm MIN) 510
编码器参数
编码器型号 CB-ST-22 Φ22mm
供电电压(V) 3.3-5
工作电流(mA) 10
类型 增量
通道数 3
最大脉冲数(ppr) 1024
最高转速(rpm) 55000
温度(℃) -40~125
*注:以上具体参数可根据客户要求定制。

设计图纸

热门产品查看更多

资料下载

38mm高性能电机(150)规格书

DB官方网站 — 微型驱动系统制造商

专注于研发、生产精密驱动系统,为客户提供智能驱动方案设计,零件的生产与组装的定制化服务

立即咨询  >

粤ICP备11019966号     Copyright ? 2023  深圳市DB官方网站机电股份有限公司  

粤ICP备11019966号
Copyright  2023  深圳市DB官方网站机电股份有限公司

400-066-2287
服务热线


线

服务热线:400-066-2287
sitemap地图